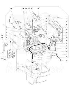
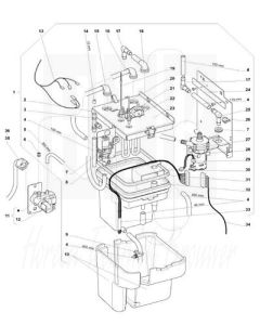
7100 & 7200 serie
De Wittenborg FB7100 en FB7200 werken volgens het “freshbrew” principe, de ES7100 machines werken volgens het "bean to cup" principe, samen een perfect systeem dat al jarenlang met succes toegepast wordt. In beide systemen worden elk kopje koffie vers gezet. Ook de sterkte van de verse koffie is naar keus: mild, normaal of sterk. Daarnaast omvat de automaat nog drie containers voor cacao, suiker en creamer / topping. De meeste onderdelen levert Horeca Techniek Brouwer voor beide modellen zowel nieuw als gebruikt uit voorraad !
Blader door
Huidige filters
- Nummer op tekening 23 Verwijder dit artikel
Selectie verfijnen
Blader door
-
Schraper Compleet FB50, FB55, FB5100, FB5500, FB7100, FB7600, 35023601 Voor de modellen : FB50, FB55, FB5100, FB5500, FB7100, FB7600.€ 53,83 -
WITTENBORG uitlaatventiel 24 volt dc ingredient, 41532800-USED 2/2-WAY Solenoid valve 41532800-USED 43.003.102. Voor de modellen : IN7100, IN7300, IN7600, ES7600.€ 30,00








