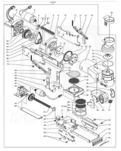
7100 & 7200 serie
De Wittenborg FB7100 en FB7200 werken volgens het “freshbrew” principe, de ES7100 machines werken volgens het "bean to cup" principe, samen een perfect systeem dat al jarenlang met succes toegepast wordt. In beide systemen worden elk kopje koffie vers gezet. Ook de sterkte van de verse koffie is naar keus: mild, normaal of sterk. Daarnaast omvat de automaat nog drie containers voor cacao, suiker en creamer / topping. De meeste onderdelen levert Horeca Techniek Brouwer voor beide modellen zowel nieuw als gebruikt uit voorraad !
Blader door
Huidige filters
- Nummer op tekening 61 Verwijder dit artikel
Selectie verfijnen
Blader door
-
Wittenborg, houder uitgiftepijpjes IN210, 39733700 Wittenborg, houder uitgiftepijpjes IN210, 39733700€ 32,54

